当前位置:
PQ58对射式
    发布时间: 2023-07-23 11:11    
PQ58对射式
PQ58对射式

● 内置电源逆极性保护电路,短路保护电路
● 抗阳光抗电磁干扰能力强,性能稳定
● 光学技术,可实现长距离检测

 

产品图片
尺寸图片
  


产品选型

 继电器输出                               DC

                                                AC

PQ58TRA/E


PQ58TRRA/RE



PQ58T2RA/2E

PQ58T2RRA/2RE



PQ58T3RA/3E

PQ58T3RRA/3RE



PQ58T5RA/5E




                                                PNP NOPQ58TPA/E
PQ58T2PA/2E
PQ58T3PA/3E

 晶体管输出                               PNP NCPQ58TPB/EPQ58T2PB/2E
PQ58T3PB/3E

                                                NPN NOPQ58TNA/E
PQ58T2NA/2E
PQ58T3NA/3E

                                                NPN NCPQ58TNB/E
PQ58T2NB/2E
PQ58T3NB/3E


检测距离
10m / 30m / 50m / 200m
光      源
红外光940nm / 红外光940nm  红外光850nm  红外光940nm 
外壳材质
特性塑料ABS
工作温度
-25~55℃
防护等级
防水性能优秀
工作电压
10-30VDC   80-240VAC
消耗电流
继电器 ≤40mA
工作电流
晶体管 ≤100mA
空载电流
晶体管  发射器≤20mA接收器≤10mA
上电延时
200ms
重复精度
10%
反应时间
继电器 ≤30ms    晶体管≤3ms
输出指示
绿灯电源指示,红灯输出指示
继电器触点容量

AC 3A 30VDC/250VAC     

DC 1A  240VAC/30VDC

保护功能 电源逆极性保护
接线方式 标准2米导线输出
备注以上数据来源于本公司实验室,以供参考


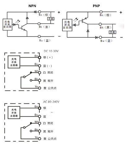
配线图