网站首页
资质证书
关于我们
新闻中心
产品中心
应用行业
客户支持
招商加盟
联系我们
当前位置:
网站首页
※
接近开关
※
电感式防爆型
※
M8防爆型
光电开关
PQS18系列(通道闸)
PM19系列圆柱型
PS(M)18系列(圆柱型)
PQ20系列(方型)
PQ58系列(方型)
PQ40系列(方型)
PQ75系列(方型)
光纤式
PU30系列
背景抑制系列
PGS18系列
PS12纽扣式
光幕传感器
MINI型光幕
通用轴20mm光幕
通用轴40mm光幕
接近开关
电感式通用圆柱型
电感式通用方型
电感式防爆型
电感式加长距离型
电感式模拟量输出型
电感式高温型
电容式
霍尔开关
霍尔开关系列
激光扫描传感器
激光区域扫描传感器
安全激光扫描传感器
传感器附件
传感器附件
M8防爆型
发布时间: 2023-07-27 00:22
商品信息
M8防爆型
●
具有短路保护、过载保护及逆极性保护功能
●
能进行各种限位、计数控制,适用范围广,经济耐用
●
防水性能优秀
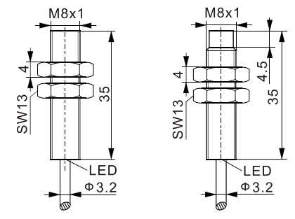
产品图片
尺寸图片
产品型号
安装方式
埋入式
非埋入式
直流两线
NO
LM08BDxA01
LM08NDxA02
NC
LM08BDxB01
LM08NDxB02
感应距离Sn
埋入 1mm 非埋入 2mm
外壳材质
ABS特性塑料
工作温度
-25~70℃
防护等级
防水性能优秀
工作电压
8.2VDC
震荡电流
≥2.2mA
停荡电流
≤1mA
开关频率
埋入式 1.5KHz 非埋入式 1KHz
接线方式
线缆式
备注
以上数据来源于本公司实验室,以供参考
配线图
上一个:
M12防爆型
下一个:
M30加长距离型
PQS18新品
PQS18系列(通道闸)
市场价:
0.00
价格:
0.00
PQS18
PQS18系列(通道闸)
市场价:
0.00
价格:
0.00
PQS18新品2
PQS18系列(通道闸)
市场价:
0.00
价格:
0.00
PM(S)18激光对射式
PS(M)18系列(圆柱型)
市场价:
0.00
价格:
0.00
<p>产品描述:PM18(S)激光对射式 ● 抗电磁干扰能力强,适合复杂的环境; ● 激光小光斑设计,最小可检测3mm的物体; ● 可实现长距离检测,高精度检测;</p>
PM18反射板式
PS(M)18系列(圆柱型)
市场价:
0.00
价格:
0.00
<p>产品描述:优秀的外壳选材,工程塑料和金属材质满足不同要求 多样化检测方式,可选择漫反射、对射式、反射板式、偏振反射式等 抗干扰能力强,优异的使用安全性 圆柱型、方型产品型号齐全,可根据用户需求加工定制</p>